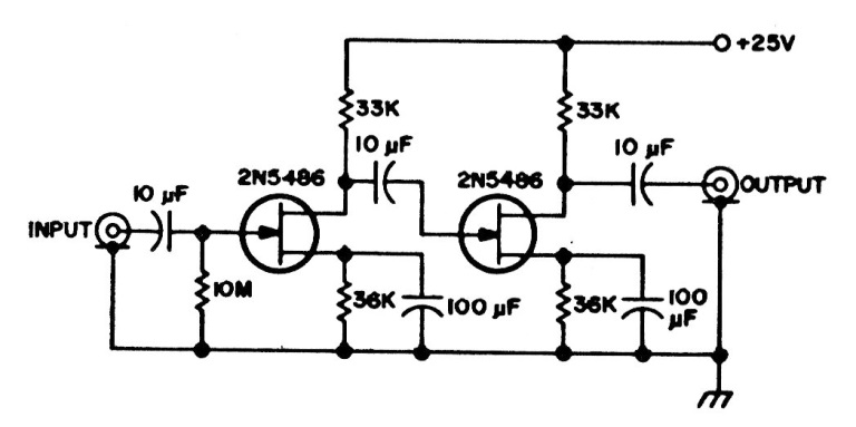
The FETs of this circuit can be the BF245. The circuit is from an old documentation and can be used in the amplification of infrasonic waves, of a sonic attack, for example.
The circuit presented is suggested by National Semiconductor in its Linear Applications Handbook. The...
In this application we show how to get tuning from 0 V to an LM350 regulator IC. The setting also...
This frequency corresponds to musical note C3. Frequency accuracy depends on the accuracy of the...