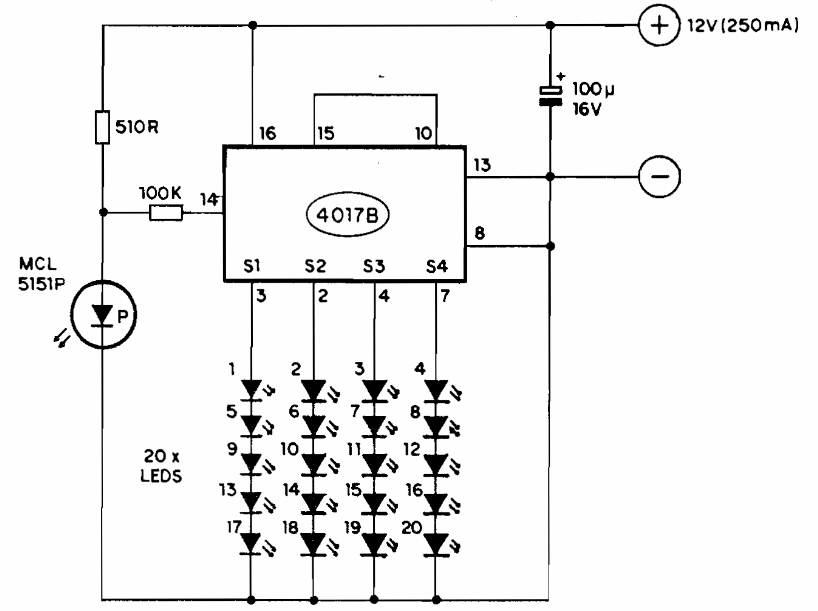
This circuit drives 4 sequences of 5 LEDs that can be of any color. The frequency depends on the characteristics of the photosensor. The circuit is from an 80's documentation.
This basic Schmitt trigger was found in an American publication from 1968. The circuit uses...
This circuit is from an American 1964 documentation. Transistors of the time are used, but modern...
This simple circuit uses small speakers for both listening and speaking (microphone). The feeding is...