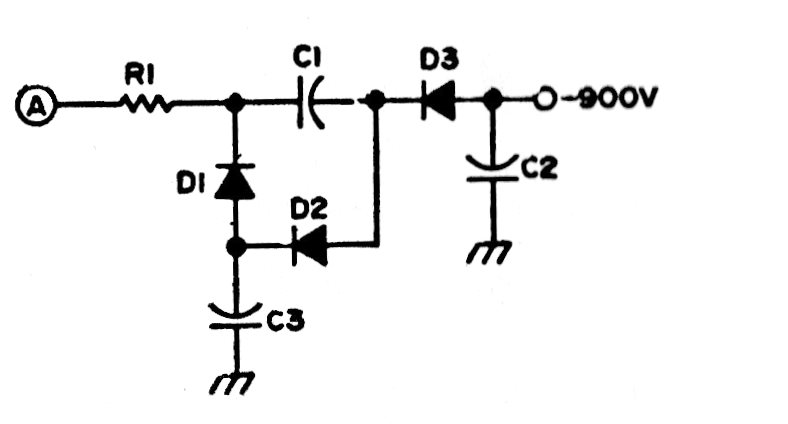
This is the typical configuration for a high voltage triplicator. The configuration can be used with low voltages with components of appropriate values according to the desired voltage. Capacitors can typically range from 1 uF to 100 uF.
This is the typical configuration for a high voltage triplicator. The configuration can be used with low voltages with components of appropriate values according to the desired voltage. Capacitors can typically range from 1 uF to 100 uF.