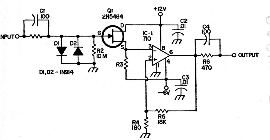
This circuit is used in frequency meters to isolate the input output. The circuit is from old documentation. Equivalent operational amplifiers can be used.
This basic Schmitt trigger was found in an American publication from 1968. The circuit uses...
This circuit is from an American 1964 documentation. Transistors of the time are used, but modern...
This simple circuit uses small speakers for both listening and speaking (microphone). The feeding is...