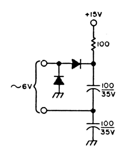
An input voltage of 6 V rms produces an output voltage of 15 V in this doubler circuit that doubles the peak voltage value. The current is low, and the diodes can be 1N4002 in this application. The circuit works with other voltages.

An input voltage of 6 V rms produces an output voltage of 15 V in this doubler circuit that doubles the peak voltage value. The current is low, and the diodes can be 1N4002 in this application. The circuit works with other voltages.
