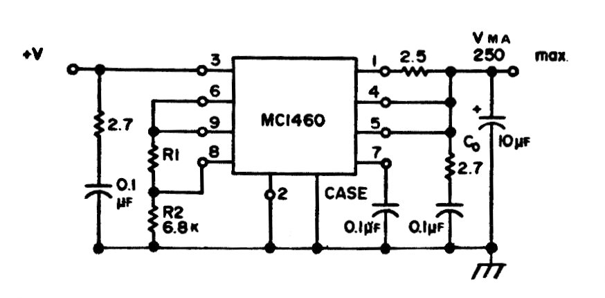
The maximum input voltage of this circuit is 20V and the output current is 250 mA. The circuit is from old documentation. The integrated circuit used is no longer common in our time.
This circuit was obtained from a Hands-On Electronics, an American magazine from January 1987. The...
This receiver for listening to the TR-23 phone was manufactured in Japan in the 1960s. The circuit is...
This astable multivibrator with an operational one at the time was found in the National...