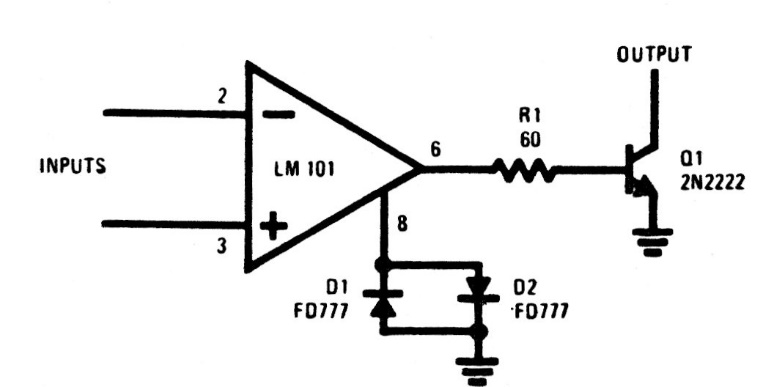
This type of logic is no longer used today. The circuit is from an old American publication and the integrated circuit is uncommon today. Diodes are general-purpose tpes.
This circuit was found in a Texas Instruments optoelectronics documentation. The gain depends on...
This oscillator circuit is from a Radio Electronics magazine from September 1960. The frequency depends...
Using a reed relay, this protection circuit depends only on the adjustment of the closing point by a wire...