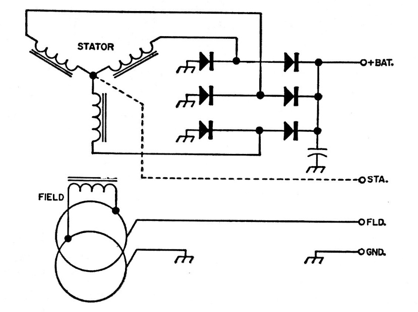
In the figure below we have the typical circuit of an automotive star alternator with the rectifier sector. The diodes depend on the current and the circuit is given as a reference for a Ford vehicle.
We found this circuit in a 1978 publication. The diodes can be 1N4002 or 1N4004 and the secondary of...
We found this circuit in an old operational amplifier manual. The operational amplifier can be of...
This circuit is from Popular Electronics from October 1981. The diode can also be 1N4004 and the...