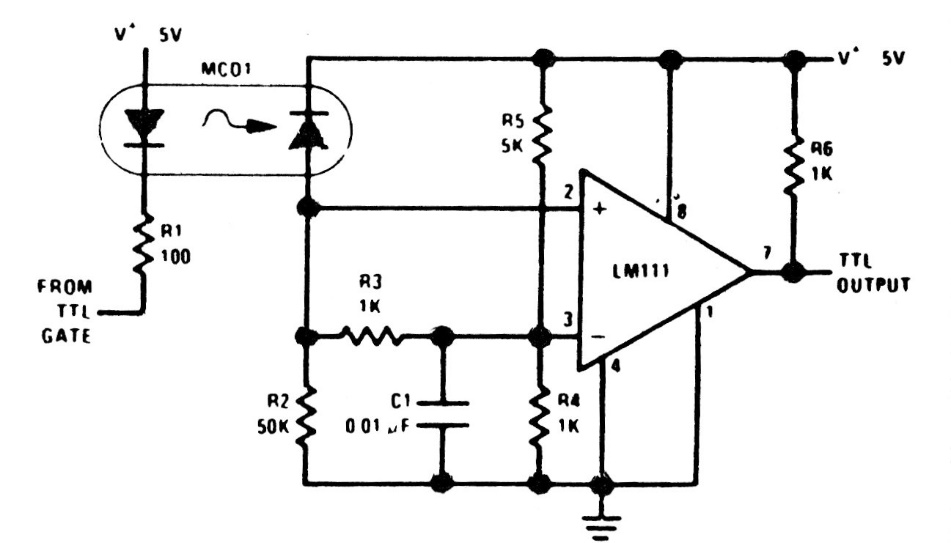
This isolated shield is from an old documentation, making use of an operational one of the time. It can be adapted to use modern operational amplifiers with TTL compatible output and microcontrollers.
This isolated shield is from an old documentation, making use of an operational one of the time. It can be adapted to use modern operational amplifiers with TTL compatible output and microcontrollers.