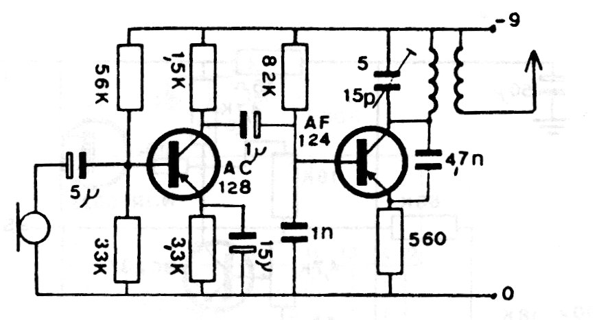
The coil of this transmitter has 4 coils of wire 26 or 28 in the form of 1 cm without core and on it the coil for two-coil antenna. The transistors can be the BF494 for RF and BC548 for audio. The circuit has a range of about 200 m with 9 V power supply and an antenna of 15 to 30 cm.




