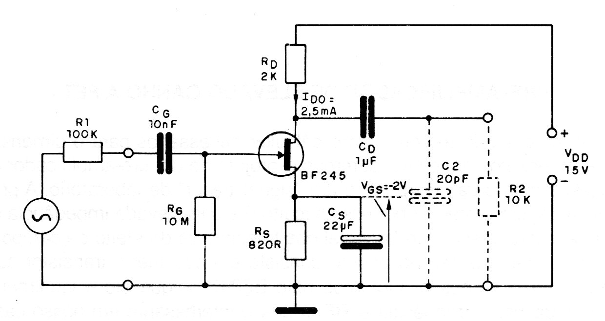
This circuit was obtained in an old European publication on FETs. The FET admits equivalent and the feed must have good filtration. Signal input cables and output cables must be shielded.
This circuit generates a siren sound. It was found in the April 1969 Radio Electronics magazine. The...
This circuit converts pulse frequency to current, which is indicated on an analog instrument. The...
This circuit was obtained in a 1991 Electronics Handbook. The publication no longer exists, but...