This conventional flip-flop configuration with two transistors was found in documentation from the 1980s. Transistor support equivalents.
This circuit was found in a 1975 documentation. Current general-purpose transistors can be used,...
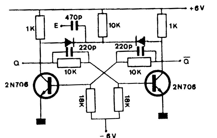
We found this circuit in a publication for radio amateurs in 1974. The bipolar transistors can be...
This conventional humidity or water alarm circuit was found in an English documentation from 1974....