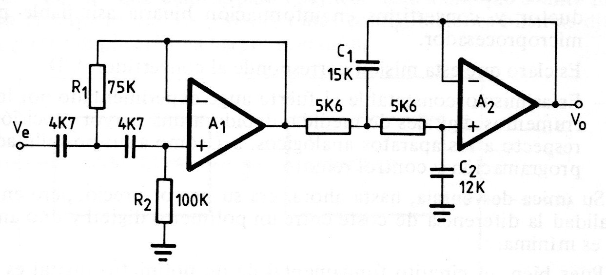
We found this circuit in a publication from the 90s. The circuit has a tuning range of 500 to 1 500 Hz, but it can be changed to operate in other frequency ranges. Operational amplifiers are 741 and the power supply should be symmetrical from 6 to 12 V typically.




