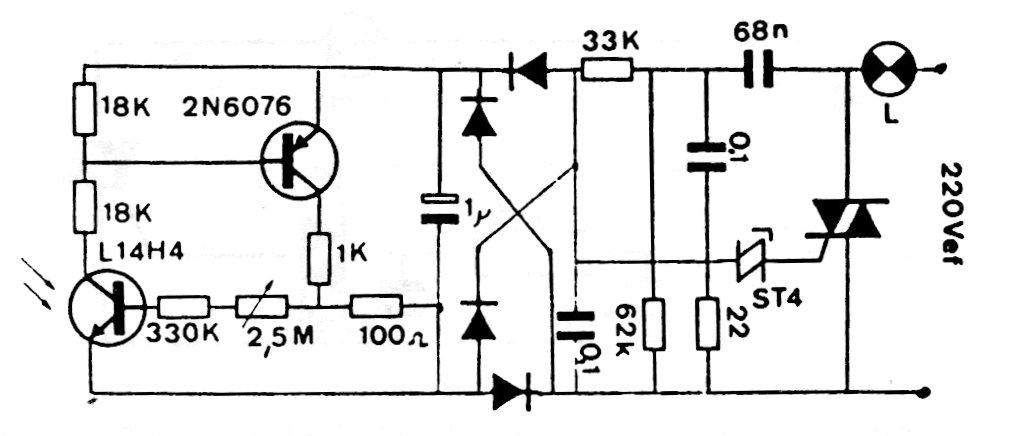
This circuit was found in an old General Electric documentation. The circuit is only valid for incandescent lamps and the triac must be equipped with a heat sink. The sensor is a phototransistor and the adjustment of the operation made in a trimpot.
This circuit was found in an old General Electric documentation. The circuit is only valid for incandescent lamps and the triac must be equipped with a heat sink. The sensor is a phototransistor and the adjustment of the operation made in a trimpot.