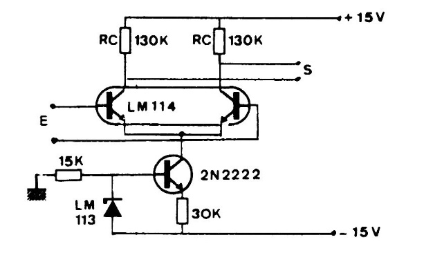
The pair of transistors matched in a single LM114 enclosure is not a common component today. The circuit is from an 80's documentation and must be powered by a symmetrical source.

The pair of transistors matched in a single LM114 enclosure is not a common component today. The circuit is from an 80's documentation and must be powered by a symmetrical source.
