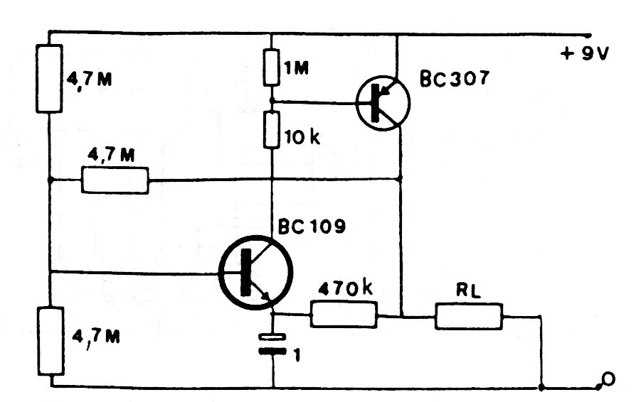
This circuit that uses only two complementary general-purpose transistors was found in a technical publication from the 1980s. The transistors can be BC557 and BC547 and the frequency is given by the capacitor. Values between 1 nF and 10 uF can be used and the supply can be made with voltages from 6 to 12 V.




