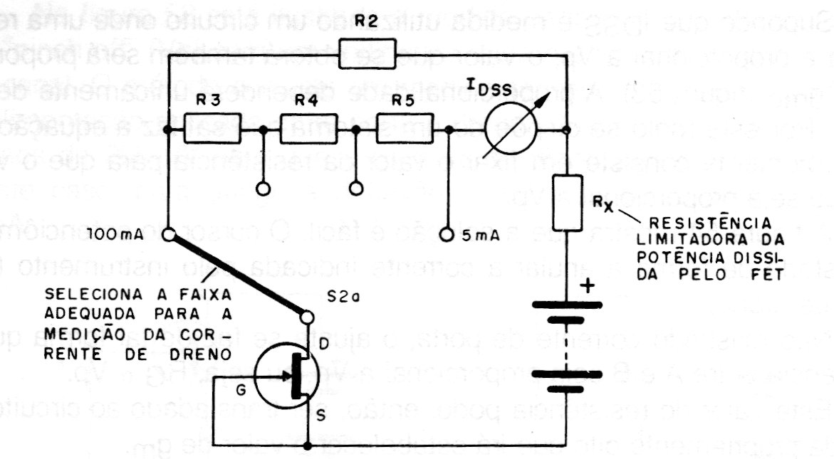
This circuit is intended to measure the Idss current of a junction FET under test. The limiting resistance depends on the FET under test and must be obtained from the component's datasheet. The circuit was found in an old documentation about FETs.
This circuit is intended to measure the Idss current of a junction FET under test. The limiting resistance depends on the FET under test and must be obtained from the component's datasheet. The circuit was found in an old documentation about FETs.