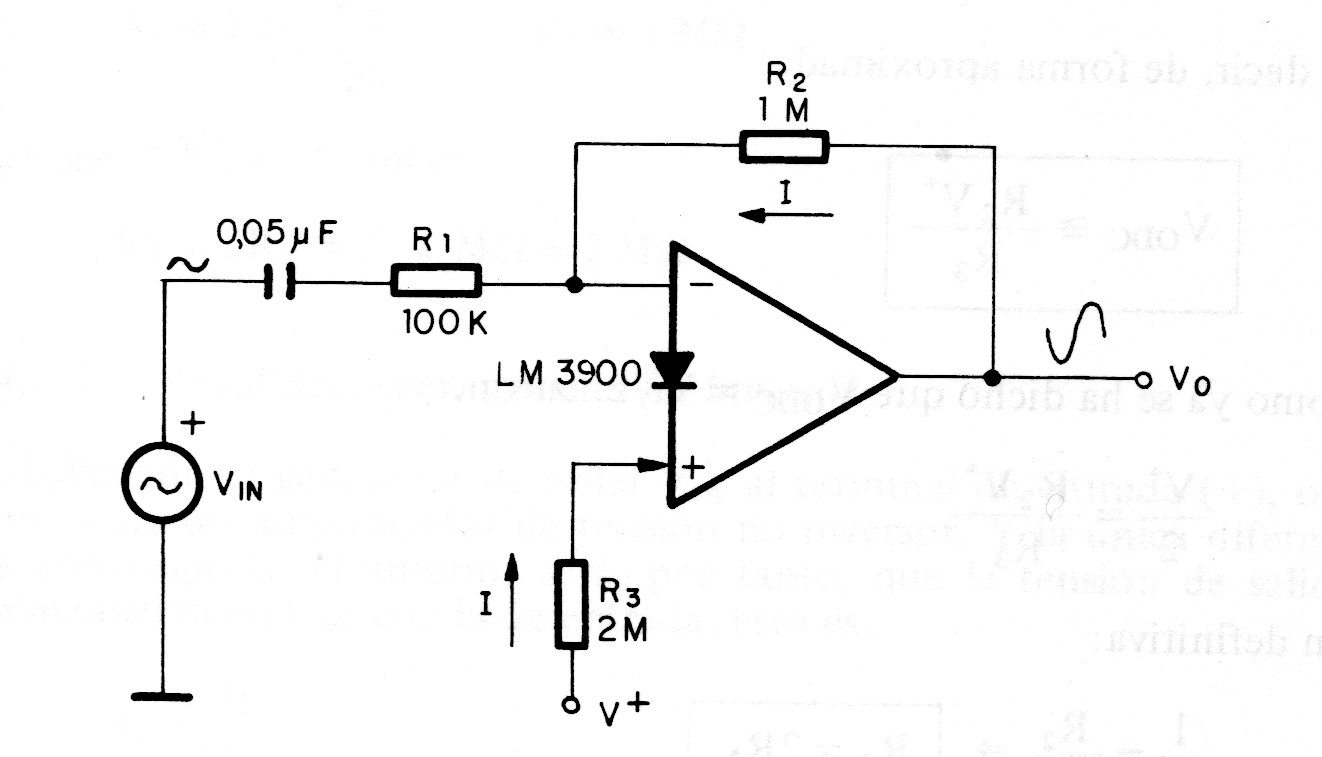
In the figure we have the basic configuration of an operational amplifier for AC signals using the LM3900, a transconductance operational that can still be found with some ease. R2 and R1 can be changed to obtain other gains.
In the figure we have the basic configuration of an operational amplifier for AC signals using the LM3900, a transconductance operational that can still be found with some ease. R2 and R1 can be changed to obtain other gains.