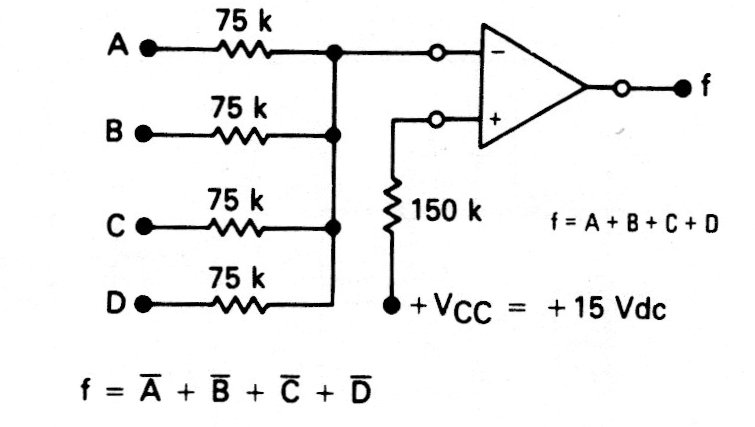
In the figure we have the way to implement a NO OR or NOR gate with an operational amplifier. The number of inputs can be changed.
Bipolar transistors are types of general use like BC548, while the power MOSFET can be of any type...
This circuit generates a signal rich in harmonics that extends up to close to 1 GHz, serving for...
This second-order low-pass Salen-Key filter was obtained from an American 1980s documentation. Formulas...