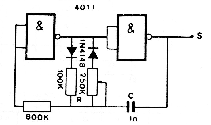
This is a traditional CMOS configuration found in other articles in this section and on this website. The diodes are for general use and the frequency depends on the capacitor. The potentiometer adjusts the space between the pulses and the power can be done with voltages of 3 to 15 V typically.




