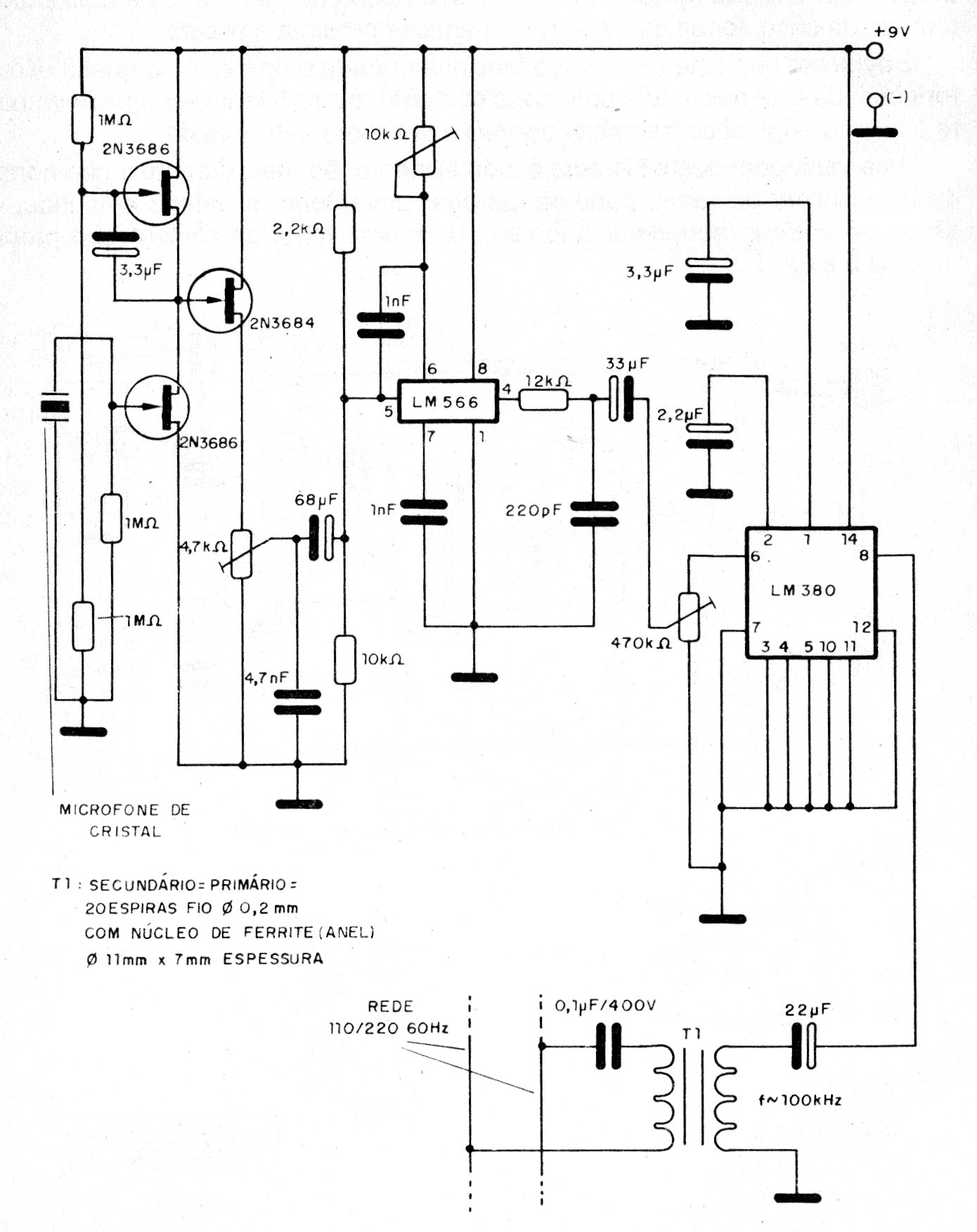
This circuit transmits the signal taken from a telephone line to a receiver placed nearby (up to a few tens of meters, depending on network noise). The circuit is from the documentation of the 90s and operates at a frequency of 100 kHz. The receiver is CIR19326E.




