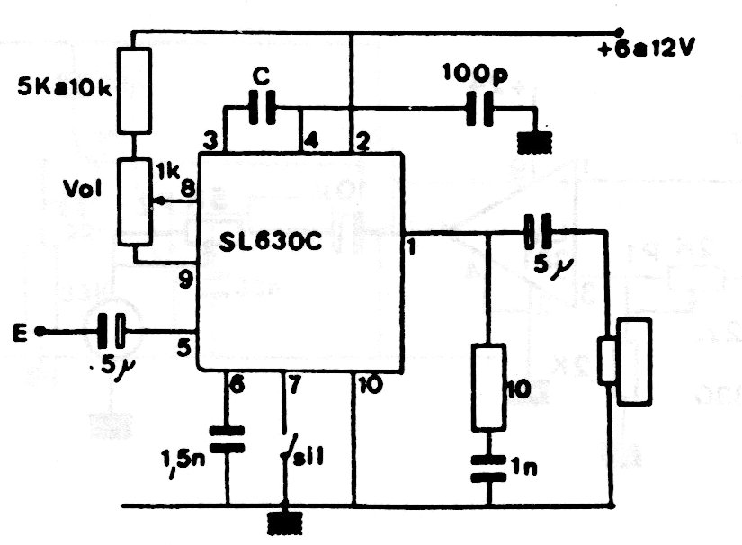
This circuit uses an integrated hard to find today and the phone must be of high impedance. We found this circuit in a European publication from the 1980s. The capacitor determines the frequency response of the circuit, typically between 10 nF and 1 uF.




