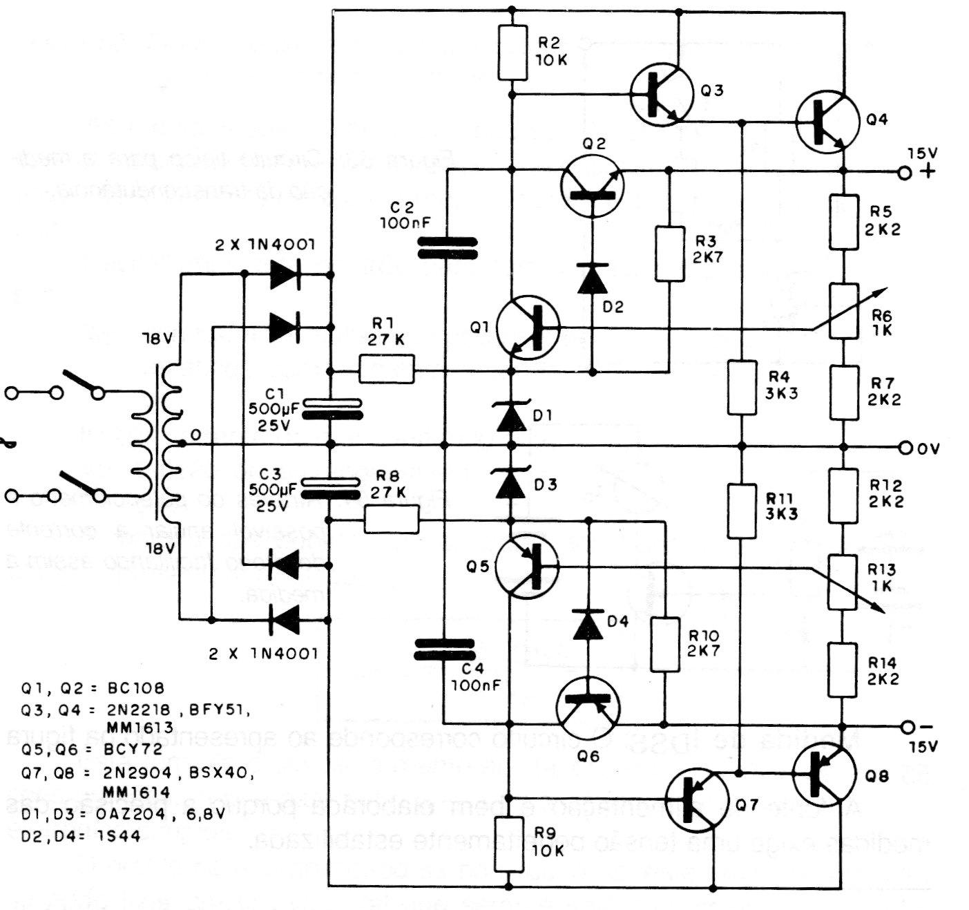
The power supply shown has protection against short circuits and can eventually be mounted with more modern equivalent transistors. The output transistors must be provided with heat sinks. The circuit was found in an old European technical documentation.




