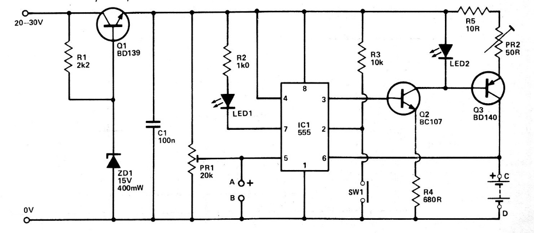
This automatic nickel-cadmium or NiCad battery charger was found in European documentation from the 1980s. The circuit is still viable and can be implemented with modern equivalent transistors. The Q1 transistor must have a small heat sink and the load current is 10 mA.




