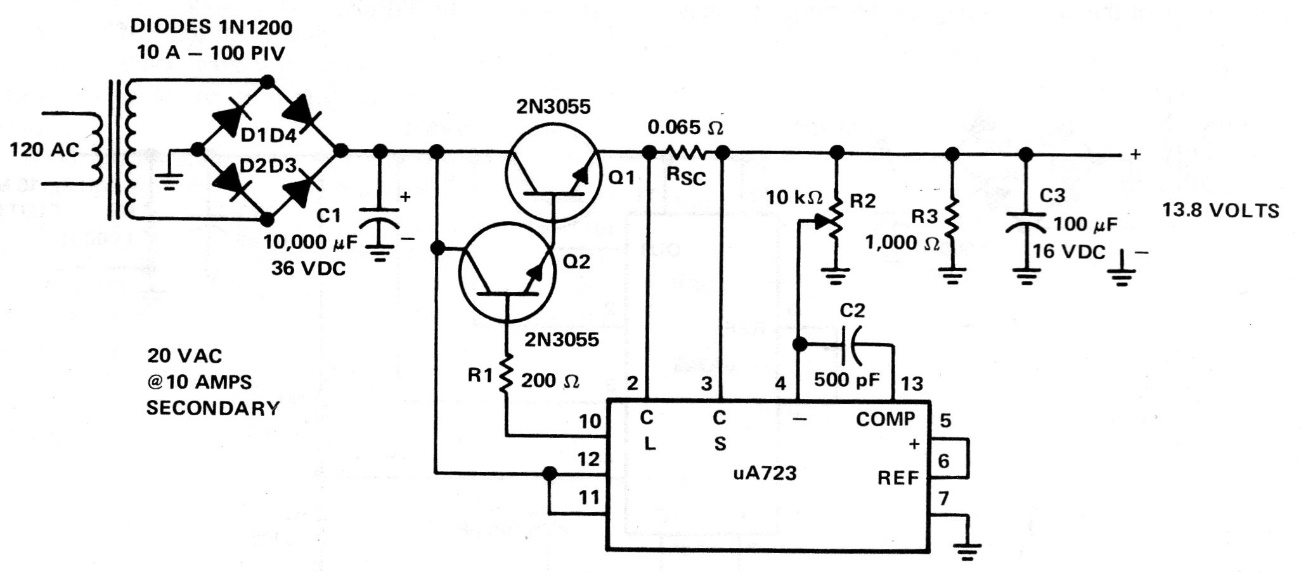
Although newer voltage regulator integrated circuits exist, the uA723 is still very common in applications of this type. This circuit is from Texas Instruments documentation and the maximum current is 8 A. The 2N3055 must have excellent heat sinks.
Although newer voltage regulator integrated circuits exist, the uA723 is still very common in applications of this type. This circuit is from Texas Instruments documentation and the maximum current is 8 A. The 2N3055 must have excellent heat sinks.