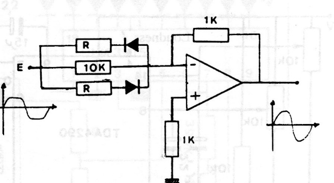
The expansion rate of this circuit is determined by R. The circuit can use any operational amplifier and the power supply must be symmetrical. Resistor R must be less than 10k.
Bipolar transistors are types of general use like BC548, while the power MOSFET can be of any type...
This circuit generates a signal rich in harmonics that extends up to close to 1 GHz, serving for...
This second-order low-pass Salen-Key filter was obtained from an American 1980s documentation. Formulas...