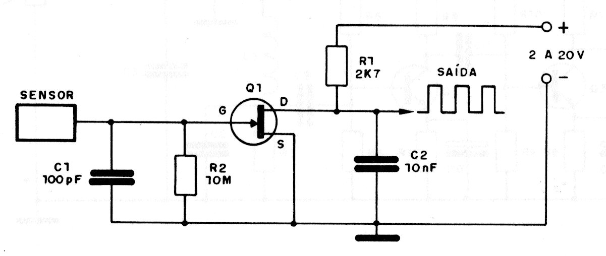
This circuit can be used as a shield for touch control. The circuit can use any common FET like the BF245 and should never be powered by a source without a transformer.
This 3-transistor circuit is from a Radio Electronics magazine from May 1963. The transistors used...
This circuit was found in a 1980s technical documentation. It tests the inverse characteristics of a high...
This different configuration of a 12 dB gain preamp was obtained in an American documentation from...