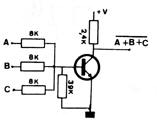
This NOR or NO-OR function circuit with a general-purpose transistor can be powered by voltages from 5 to 12 V, according to the interfacing logic. The circuit acts as a shield.

This NOR or NO-OR function circuit with a general-purpose transistor can be powered by voltages from 5 to 12 V, according to the interfacing logic. The circuit acts as a shield.
