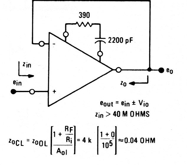
The operational used is like the 741 and the voltage gain is unitary. The circuit is from the component manual and requires a symmetrical source.

The operational used is like the 741 and the voltage gain is unitary. The circuit is from the component manual and requires a symmetrical source.
