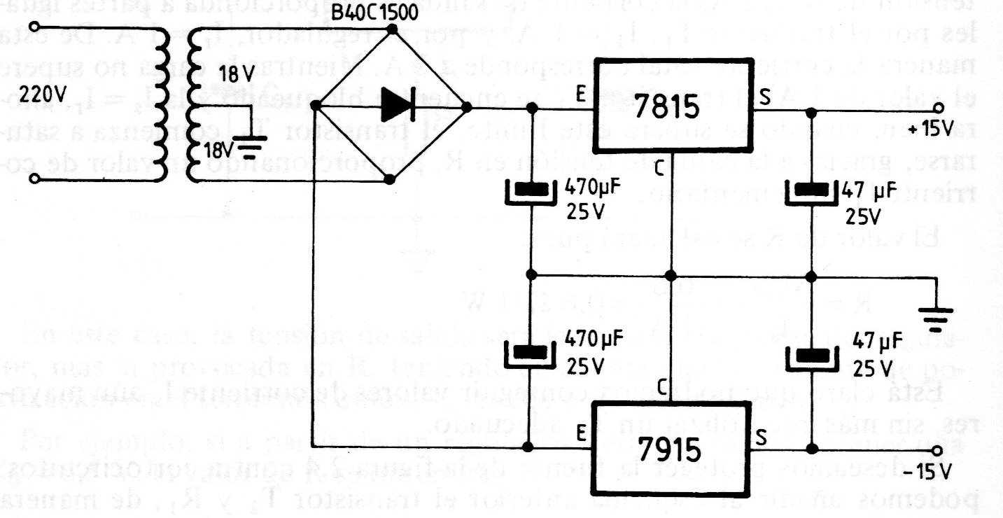
This is the traditional configuration of a power supply with regulators with three terminals 78xx and 79xx and can be used for other voltages. The maximum current is 1 A, and the integrated circuits must be mounted on heat sinks. This circuit appears at different points in this section, with different origins.




