This configuration can be found in several articles on this site. The one shown in the diagram is from the datasheet of the LM101 series amplifiers, but it can be implemented with other types.
Bipolar transistors are types of general use like BC548, while the power MOSFET can be of any type...
This circuit generates a signal rich in harmonics that extends up to close to 1 GHz, serving for...
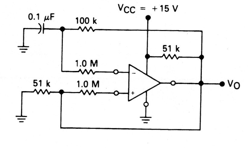
This second-order low-pass Salen-Key filter was obtained from an American 1980s documentation. Formulas...