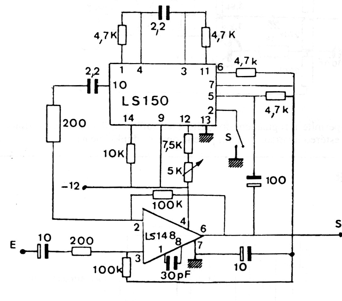
This volume compressor uses unusual components today. The circuit was found in documentation from the 1980s. The circuit is for audio signals. The LS150 is a high-performance operational amplifier.
Bipolar transistors are types of general use like BC548, while the power MOSFET can be of any type...
This circuit generates a signal rich in harmonics that extends up to close to 1 GHz, serving for...
This second-order low-pass Salen-Key filter was obtained from an American 1980s documentation. Formulas...