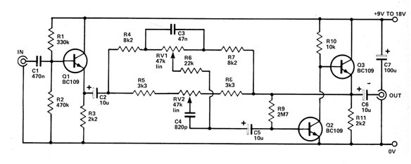
This circuit was found in documentation translated from the 1960s. The circuit can be implemented with BC549 for Q1 and BC548 for the others. The signal cables must be shielded, and the power must be removed from the amplifier with which the circuit will operate.




