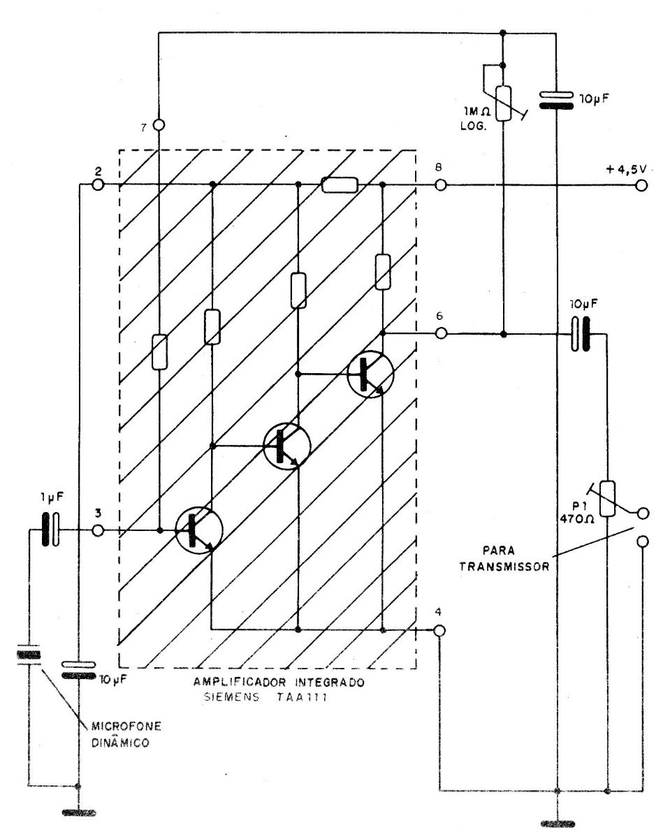
This circuit is suitable for modulating small FM transmitters for eavesdropping or espionage. The circuit is from the documentation of the 90s and the integrated circuit used is not the most common today.
This circuit is suitable for modulating small FM transmitters for eavesdropping or espionage. The circuit is from the documentation of the 90s and the integrated circuit used is not the most common today.