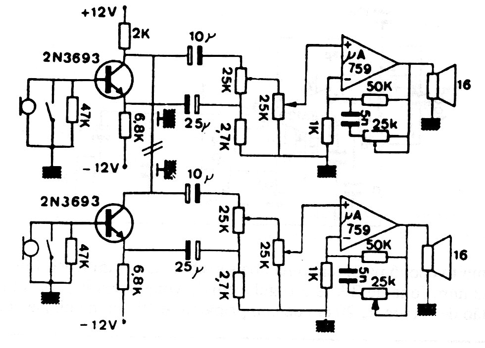
We found this circuit in a 90's European schematic. Amplifier integrated circuits are no longer common on the market but can be replaced with equivalent configurations with the LM386 or TDA7052. The transistors can be the BC548.
We found this circuit in a 90's European schematic. Amplifier integrated circuits are no longer common on the market but can be replaced with equivalent configurations with the LM386 or TDA7052. The transistors can be the BC548.