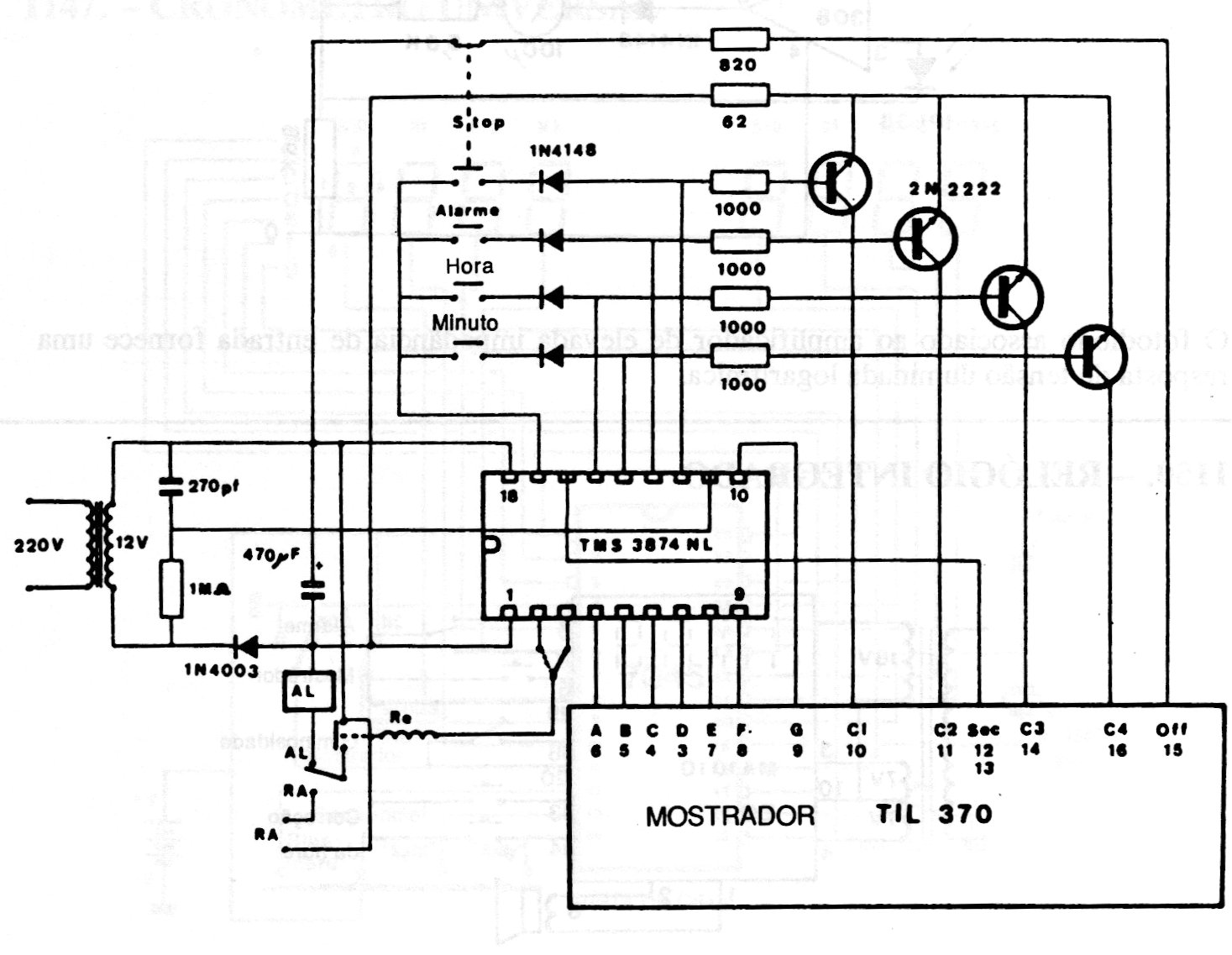
We found this circuit in a technical documentation from the 1980s. The circuit is from Texas Instruments with components from that time, not very common today.
This circuit was found in a 1980s Intersil documentation. The integrated circuit used is not...
Although it is a common configuration today, these circuits were taken from an old publication. The...
This circuit, from an old publication, can also use modern transistors. Note that the unit is...