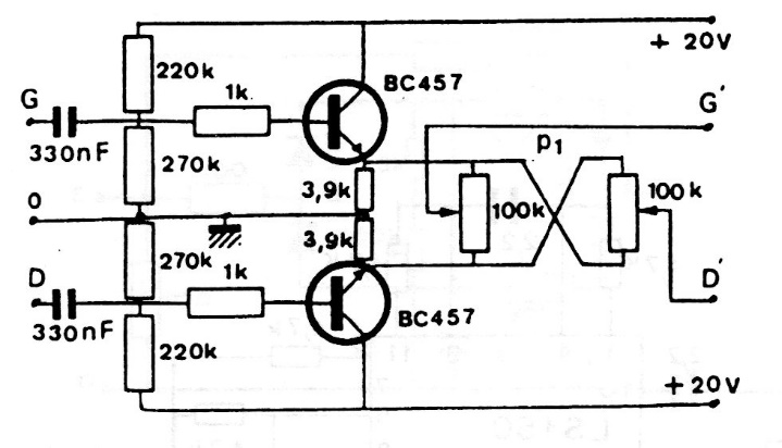
This balance or balance circuit with phase inversion was found in documentation from the 90s. Transistors can be low noise equivalents like BC549.
When the sensor X1 is opened, the relay is energized. When waiting, the current drained is very...
This circuit can also use other series operational amplifiers such as MC33172, MC33174, MC35171,...
This circuit was originally designed to power the CB18698's MSX interface, but it is suitable for...