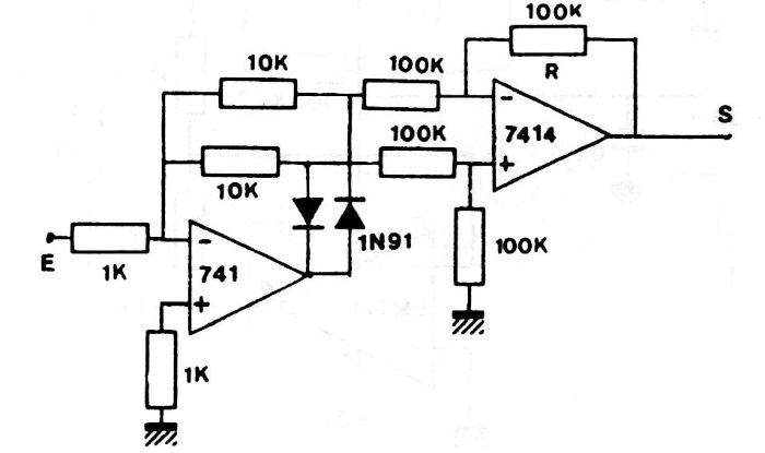
This precision full-wave rectifier used in instrumentation was found in a technical documentation from the 1980s. Diodes are general-purpose types.
When the sensor X1 is opened, the relay is energized. When waiting, the current drained is very...
This circuit can also use other series operational amplifiers such as MC33172, MC33174, MC35171,...
This circuit was originally designed to power the CB18698's MSX interface, but it is suitable for...