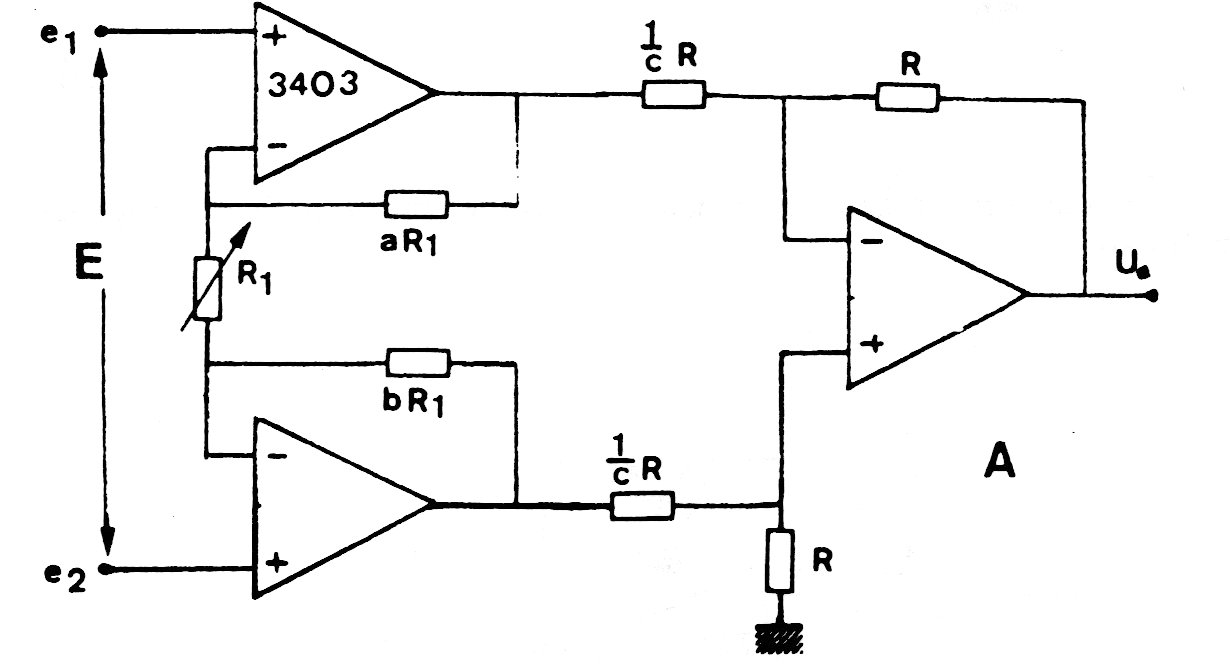
The circuit is from old documentation, but its configuration can be implemented based on more modern operational amplifiers. The component values are high in the order of 10 M for R and 1 M for R1.
The circuit is from old documentation, but its configuration can be implemented based on more modern operational amplifiers. The component values are high in the order of 10 M for R and 1 M for R1.