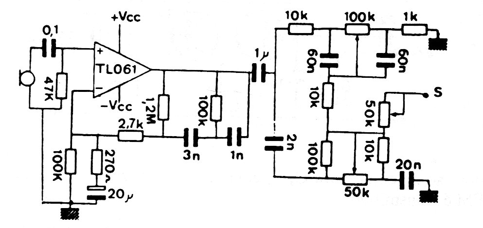
We found this circuit in a European schematic from the 90s. The used integrated circuit can still be obtained with some ease in the market and even equivalents with FET can be used. The circuit is indicated for operation with microphones and the signal cables must be shielded.




