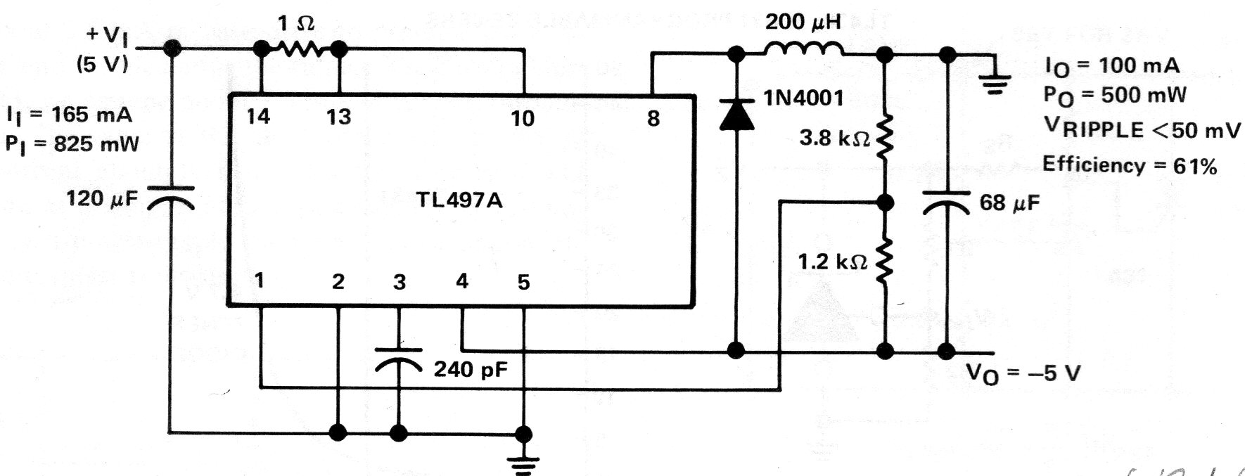
This circuit provides a negative voltage of -5 V with a current of up to 100 mA. The circuit is suggested by Texas Instruments in one of its manuals. The ripple voltage is only 50 mV at most. More features are given in the diagram itself.
This circuit provides a negative voltage of -5 V with a current of up to 100 mA. The circuit is suggested by Texas Instruments in one of its manuals. The ripple voltage is only 50 mV at most. More features are given in the diagram itself.