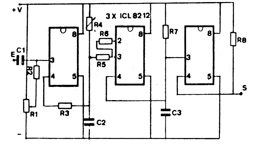
The capacitors on this circuit determine the frequency that this circuit can detect. We can adapt it to work as an interesting shield detector for logic signals.
Any small sound amplifier from 200mW to 1W can be used in this simple circuit. Or circuit of two...
This setting applies to virtually any photo transistor and any operational amplifier. The power...
We found this circuit in an American 1980s documentation. The circuit uses a piezoelectric transducer...