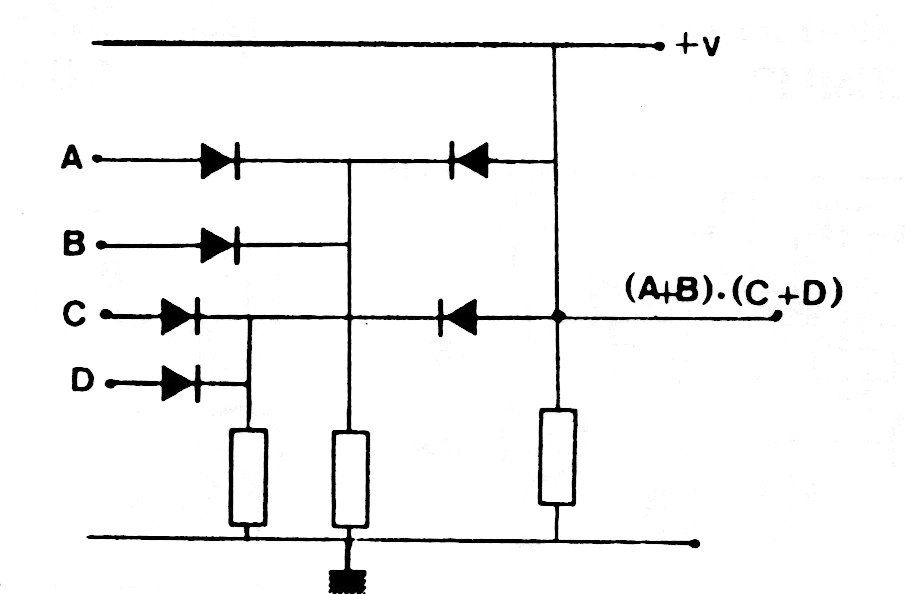
In this circuit, which uses only diodes, we have both simultaneous functions. The diodes are general-purpose types and the resistors have typical values of 2k2.
This 80's circuit turns off a TV or other appliance after a set time. The base is a 555 IC and the...
This low impedance microphone preamp is from a 1957 Raytheon publication, using germanium...
Found in a National Semiconductor manual from the 1980s, this circuit uses a voltage comparator of the...