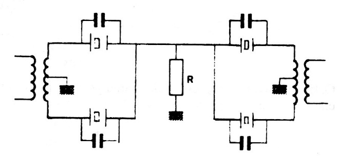
This filter configuration used in telecommunications uses 4 Jaumnann crystals that are interesting for low and medium frequencies. The circuit is from an 80's documentation.
When the sensor X1 is opened, the relay is energized. When waiting, the current drained is very...
This circuit can also use other series operational amplifiers such as MC33172, MC33174, MC35171,...
This circuit was originally designed to power the CB18698's MSX interface, but it is suitable for...