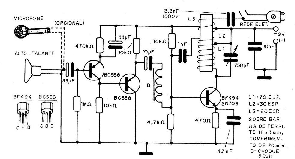
This transmitter was found in an old publication on espionage. It applies a signal of a few hundred kilohertz directly to the power grid. The microphone can be a speaker or a common type. The power can be done with ordinary batteries or power source.




