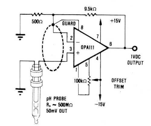
The input impedance of this amplifier is of the order of 1014 being the same indicated for pH measurement electrodes. The amplifier suggested in this old application is not the most common today, but there are equivalents.

The input impedance of this amplifier is of the order of 1014 being the same indicated for pH measurement electrodes. The amplifier suggested in this old application is not the most common today, but there are equivalents.
