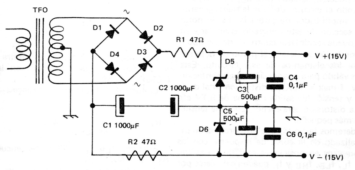
This source is used to supply circuits with operational amplifiers, being originally created for the previous circuit (CB19621E), which is a tone control. The transformer has a 15 V secondary with a current of 150 to 300 mA and the zener diodes are 15 V or any other lower voltage that is desired at the output.




