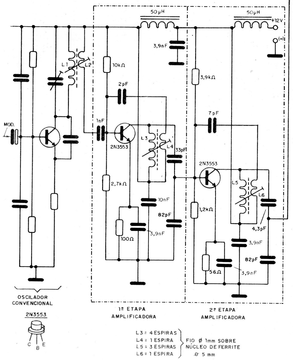
We found this circuit in a 1980s publication on espionage. The transistors support modern equivalents and the data for the construction of the coils are given next to the diagram. The circuit has enough power for its signals to reach 10 km according to the author.




