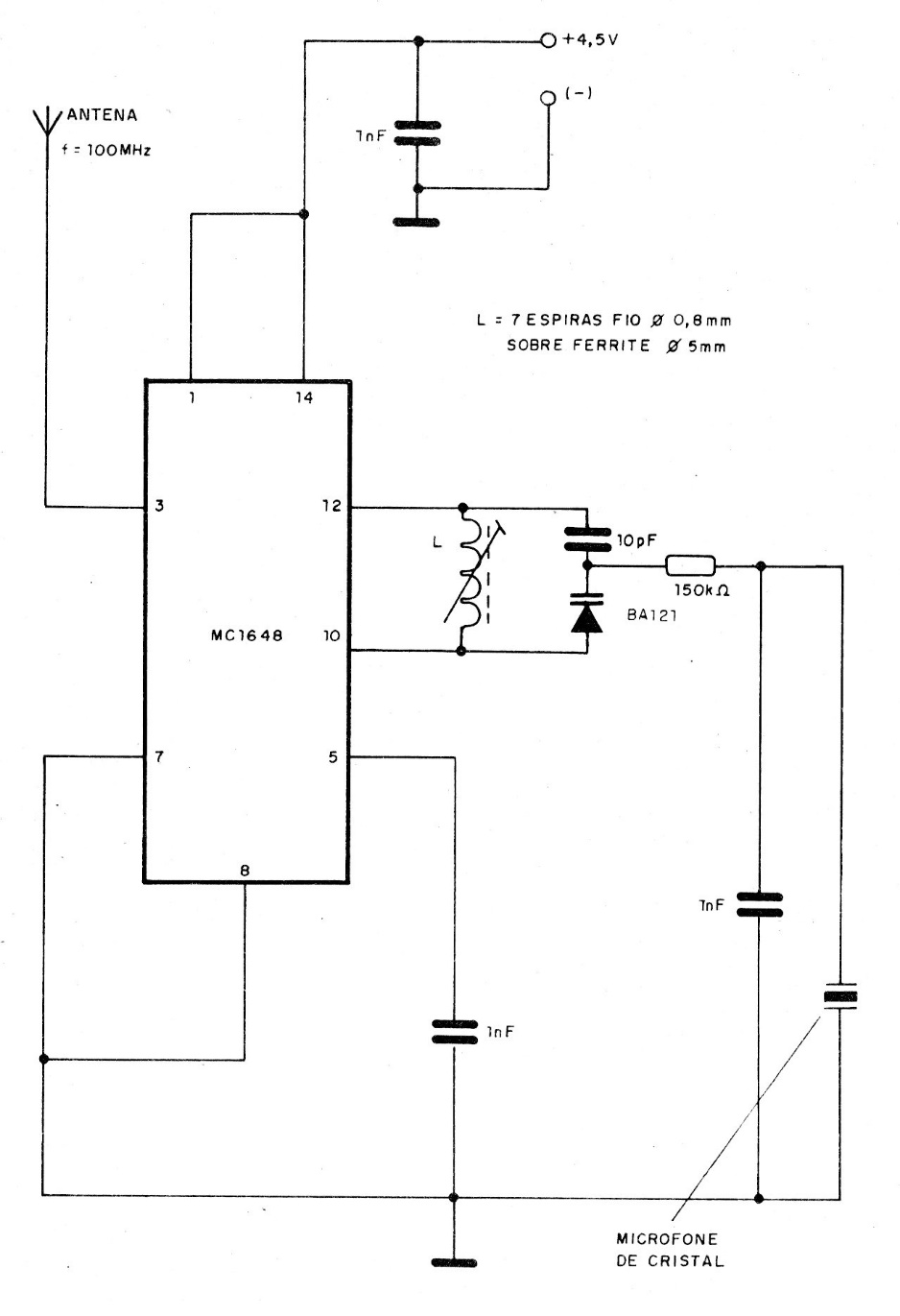
The integrated circuit used in this small transmitter is not very common today. The coil has its data supplied next to the diagram and the frequency is 100 MHz. The supply is made with 3 batteries or 5 V. The circuit is modulated by varicap.
The integrated circuit used in this small transmitter is not very common today. The coil has its data supplied next to the diagram and the frequency is 100 MHz. The supply is made with 3 batteries or 5 V. The circuit is modulated by varicap.