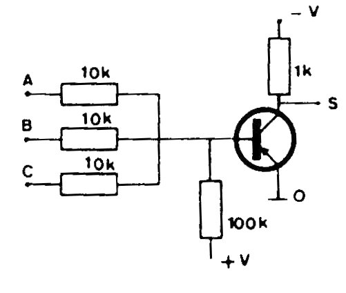
The figure shows how to implement a No – OR or NOR function with 1 general purpose transistor. The supply voltage depends on the logic. The circuit can act as a shield.

The figure shows how to implement a No – OR or NOR function with 1 general purpose transistor. The supply voltage depends on the logic. The circuit can act as a shield.
